购物车
全球站点
恒立美国 德国InLine液压 日本服部精工 上海立新液压 常州气动科技 原田(常州)密封件
语言
English Deutsch Français Italiano 日本語 Español Português
关闭

在线留言

有任何需求请留言,我们将尽快与您联系。

请配置以下参数

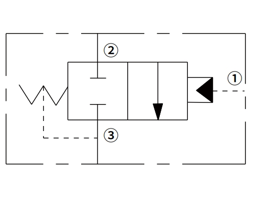
35PD10-32 型液控换向阀

系列图片

螺纹插装式、滑阀式、常闭型液控换向阀,用于远控 2 通油路。

额定压力 (bar) : 240

峰值流量 (L/min) : 37.9(详见性能曲线)

插孔 : VC10-3

配置型号/订货号

打开所有 | 关闭所有

系列优势

  • 部件经硬化处理,更耐用

  • 尺寸紧凑

  • 行业通用阀孔

技术规格

额定压力240 bar(3500 psi)
最大流量详见性能曲线
内泄漏≤ 82 mL/min @ 207bar
液控压力(阀芯完全换向)采用 4.1bar 弹簧:4.7 bar
采用   7.6bar 弹簧:8.6bar
阀芯完全换向所需流量:0.65   mL
插孔规格VC10-3(详见技术参考资料)
工作介质矿物油或具有润滑作用的合成油
粘度范围7.4 至 420 mm2/s
温度范围-54 至 107 ℃(聚氨酯密封)
-40 至   100 ℃(丁腈橡胶密封)
-26 至   204 ℃(氟橡胶密封)
油液污染度最低污染度等级 ISO4406 20/18/14   级,为延长使用寿命推荐 17/15/13 级


关闭

资料下载

关闭

用户登录

关闭

导出