购物车
全球站点
恒立美国 德国InLine液压 日本服部精工 上海立新液压 常州气动科技 原田(常州)密封件
语言
English Deutsch Français Italiano 日本語 Español Português
关闭

在线留言

有任何需求请留言,我们将尽快与您联系。

请配置以下参数

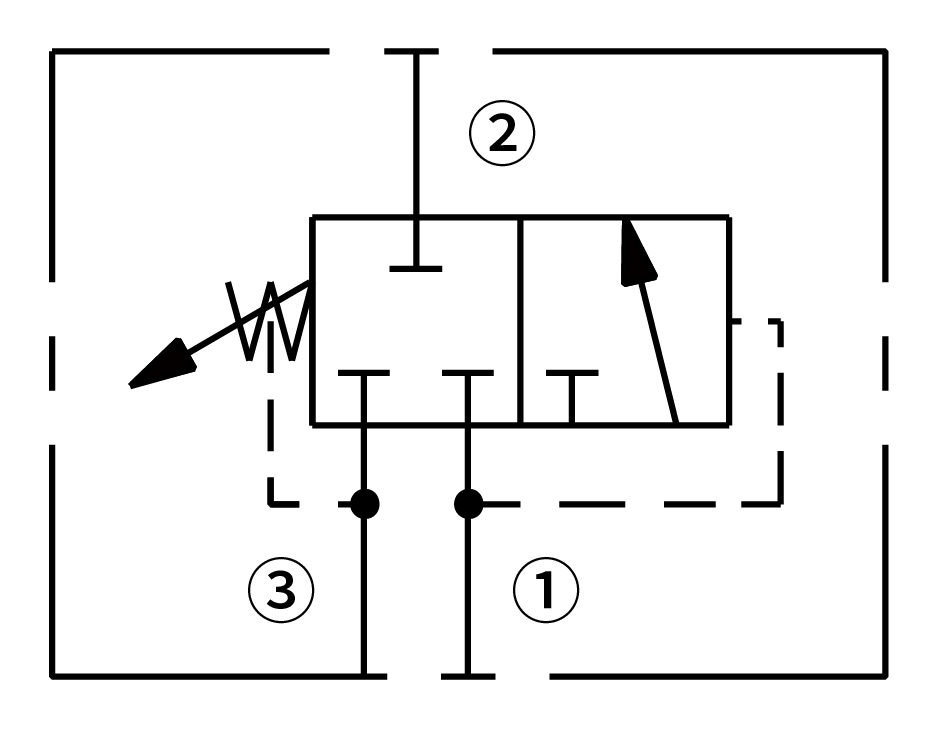
30T10-34顺序阀

系列图片

直动式、滑阀型内控顺序阀,内部弹簧腔泄油。

最大压力:207 bar

最大流量:56.8 L/min

插孔规格:VC10-3

配置型号/订货号

打开所有 | 关闭所有

系列优势

调节装置不会旋出阀体

调节器确保弹簧不会被压实
可选压力范围达 117.2 bar(1700 psi)
行业通用阀孔
部件经硬化处理,更耐用

技术规格

最大压力 207 bar(3000 psi)
最大流量详见性能曲线
内泄漏82 mL/min @ 开启压力的 85%
插孔规格VC10-3(详见技术参考资料)
工作介质矿物油或具有润滑作用的合成油
粘度范围7.4 至 420 mm2/s
温度范围-54 至 107 ℃(聚氨酯密封)
-54 至 100 ℃(丁腈橡胶密封)
-26 至 204 ℃(氟橡胶密封)
油液污染度最低污染度等级 ISO4406 20/18/14 级,为延长使用寿命推荐 17/15/13 级


关闭

资料下载

关闭

用户登录

关闭

导出