Shopping Cart
Global Site
Hengli America InLine Hydraulik Hattori Seiko Lixin Hydraulics Hengli Pneumatic Harada Seal
Language
简体中文 Deutsch Français Italiano 日本語 Español Português
Close

Online message

If you have any needs, please leave a message and we will contact you as soon as possible。

Please configure the following parameters

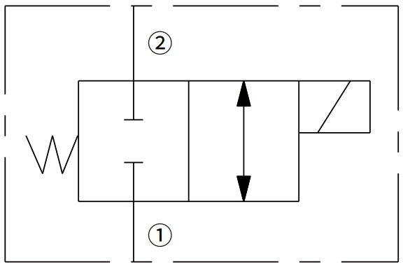
35SD12-24 TYPE Solenoid Directional Valve

Series of pictures

A solenoid-operated, 2-position, 2-way, normally closed, direct-acting spool-type, screw-in hydraulic cartridge valve, designed to function as a bidirectional blocking valve.

Rated pressure (bar / psi) : 240 / 3500

Peak flow (L/min / gpm) : 75.8 / 20 (See performance chart)

Configuration model/order number

Open all | Close all

Series advantages

  • Continuous-duty rated coil

  • Both ports may be fully pressurized

  • Cartridges are voltage interchangeable

  • Efficient wet-armature construction

  • Optional waterproof E-Coils rated up to IP69K

  • Industry common cavity

  • Hardened parts for long life and low leakage

Technical specifications

Rated pressure240 bar (3500   psi)
Peak flowSee   performance chart
Internal leakage≤   400 mL/min @ 240 bar
Initial coil current draw at 20℃2.8   A at 12VDC; 1.4 A at 24VDC
Coil duty ratingSee   performance chart
Response timePull-In100   msec
Drop-Out100   msec
CavityVC12-2   (See technical reference)
FluidMineral-based   or synthetics with lubricating properties
Viscosity range7.4   to 420 mm2/s
Temperature range-40   to 100 ℃ (Buna N seals)
-26 to 204 ℃ (Fluorocarbon seals)
Degree of fluid contaminationThe   minimum pollution level is ISO4406 level 20/18/14, and level
  17/15/13 is recommended to prolong the service life


Close

Downloads

Close

Login

Close

Export